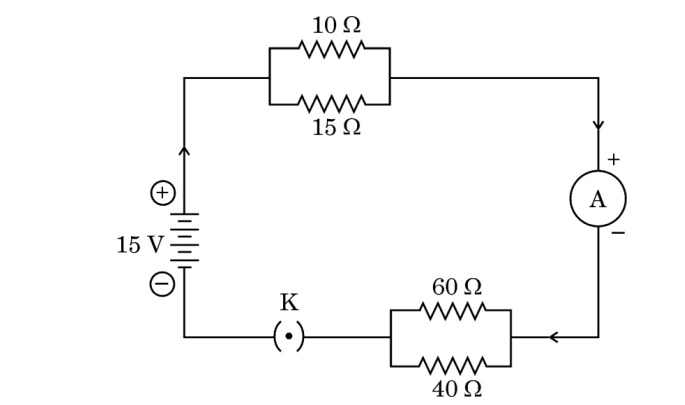
Consider the following electric circuit
Calculate the values of the following :
- The total resistance of the circuit
- The total current drawn from the source
- Potential difference across the parallel combination of 10 Ω and 15 Ω resistors

- Answer:

- Exam Year: 2025