How is electric current related to the potential difference
Electricity (10)How is electric current related to the potential difference across the terminals of a conductor? Draw a labelled circuit diagram to verify this relationship.
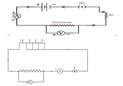
Answer
Current flowing through a conductor is directly proportional to the potential difference.
V α I
I α V

- Exam Year: 2023